Description

Rofu 1700 Series 1701-08 24VDC/VAC Fail Secure Electric Strike
Application
- Electric strikes for use with cylindrical locksets
- For Commercial and Residential, New and Retrofit Uses
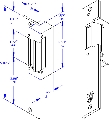
Adjustable Keeper allows for 1/4″ vertical adjustment to compensate for door misalignment, door warpage, back pressure or issues caused by weather stripping.
Specifications
- Faceplate Dimensions – 1 1/4″ x 5 7/8″
- Steel Faceplate – Made in USA
- Frame Type – Wood
- Corrosion – Resistant Housing and Moving Parts
- Tamper Strength Test – 1000 pounds
- Offset opening
- Cycle test of 500,000 cycles
- Keeper depth of 1/2″, Maximum latch projection possible with 1/8″ door frame clearance 5/8″
- Strike depth of 1.29″ overall
- Limited Warranty – 36 Months (3 years)
- PoE Friendly!
- Cut Sheets & Templates for the: 1701 Series
Available Models
- 1701-01 = 3-6VDC or 8-16VAC Fail Secure
- 1701-08 = 24VDC/VAC Fail Secure
| Rofu 1701 Line Art
| Rofu 1701 Wood Jamb Installation
|

