Description

Rofu 1700 Series 1704-08 24VDC/VAC Fail Secure Electric Strike
Application
- Electric strikes for use with cylindrical locksets
- For Commercial and Residential, New and Retrofit Uses
Adjustable Keeper allows for 1/4″ vertical adjustment to compensate for door misalignment, door warpage, back pressure or issues caused by weather stripping.
Specifications
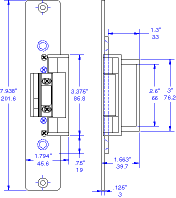
- Faceplate Dimensions – 1 7/16″ x 7 15/16″
- Anodized Aluminum Faceplate and Lip Bracket
- Frame Type – Hollow Metal, Aluminum or Wood
- Corrosion – Resistant Housing and Moving Parts
- Tamper Strength Test – 1000 pounds
- Centerline opening (CL)
- Cycle test of 500,000 cycles
- Keeper depth of 1/2″, Maximum latch projection possible with 1/8″ door frame clearance 5/8″
- Strike depth of 1.50″ overall
- Ships with door tabs in hardware pack
- Limited Warranty – 36 Months (3 years)
- PoE Friendly!
- Cut Sheets & Templates for the: 1704 Series
Available Models
- 1704-01 = 3-6VDC or 8-16VAC Fail Secure
- 1704-05 = 12VDC/12VAC Fail Secure
- 1704-08 = 24VDC/VAC Fail Secure
|
Rofu 1704 Line Art
|
Rofu 1704 Hollow Metal Frame Installation
|

