Description
Features
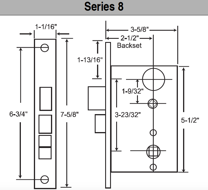
- Backset: 2-1/2"
- Bolt throw: Cast alloy full 1" throw
- Latch throw: Solid brass 1/2" throw, reversible
- Case: High pressure cast Zamac, baked enamel finish
- Front: 1-1/16" x 7-5/8"
- Hubs: 9/32" on square
- Finish: Polished Brass, Clear Coated

